Revisione Scheda Modulo di Accensione (105.64 Montreal V8)
Schema elettrico centralina ducati 32399010
Schematic Diagram Of Motorcycle Cdi and Cdi Diagram | Wiring Diagram - 12+ Schematic Diagram Of Motorcycle Cdi - Wiringg.… | Circuit diagram, Diagram, Jersey design
CDI bobina di Accensione Raddrizzatore Interruttore Completo Impianto Elettrico cablaggio 110cc 125cc ATV Quad Bike Buggy gokart - AliExpress
Revisione Scheda Modulo di Accensione (105.64 Montreal V8)
Centralina a microprocessore... scintilla ok, moto ko! - FreeForumZone
DC-CDI schematic (updated) | Techy at day, Blogger at noon, and a Hobbyist at night | Circuit diagram, Electrical circuit diagram, Electronic schematics
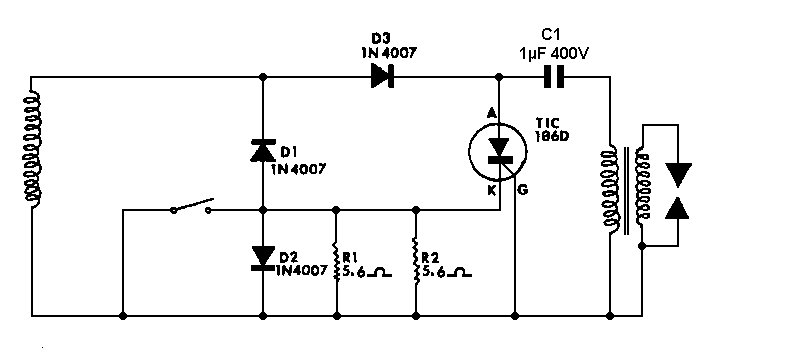
Centralina CDI Benelli 2C
Convertire un glow a benzina con accensione elettronica autocostruita - BaroneRosso.it - Forum Modellismo
ACCENSIONE ELETTRONICA A SCARICA CAPACITIVA - 5
DC-CDI schematic (updated) | Techy at day, Blogger at noon, and a Hobbyist at night | Electronic circuit projects, Electrical diagram, Electronic schematics
6 Pin CDI Bobina di Accensione in Lega di Alluminio Racing CDI Box per Moto 125cc 150cc 200cc 250cc Pit Bike Scooter ATV : Amazon.it: Auto e Moto
Universale di DC CDI accensione interruttore di accensione modificato bici Del Motociclo ATV Scooter Ciclomotore buggy Da Corsa regolabile digitale Programmabile - AliExpress
JOMALU Bobina accensione Unit Cdi Magneto Statore Rotore Interno CDI per CRF XR 70 XR50 Z 50 Taotao Baja Coolster SDG SSR Pit Bike Orizzontale Kick Start Motore (Color : Gold) :
Come collegare fili flytech Pinasco? - Elettrica ed Elettronica - Et3.it il forum
Accensione CDI: Un sistema di accensione a carica rapida per motori ad
CDI centralina africa twin e transalp
Universale di DC CDI accensione interruttore di accensione modificato bici Del Motociclo ATV Scooter Ciclomotore buggy Da Corsa regolabile digitale Programmabile - AliExpress
Kit Accensione Elettronica (105.64 Montreal V8)
IMPIANTO ELETTRICO DC LED SIP DIGITALE LAMBRETTA | Tutto Lambretta Classic Scooter
40+ Impianto Frenante Auto Schema | Auto, Schema, Impianto
Wanted KTM 640 ADV CDI unit - Page 3 - Adventure Bike Rider Forum
JOMALU Bobina accensione Unit Cdi Magneto Statore Rotore Interno CDI per CRF XR 70 XR50 Z 50 Taotao Baja Coolster SDG SSR Pit Bike Orizzontale Kick Start Motore (Color : Gold) :
Istruzioni/Instructions - Polini
Bobina CDI originale IDM per accensione elettronica Casatronic + Varitronic | Rimini Lambretta Centre
Electric System Wiring Motorcycle Gilera 98 No Battery + Knitting | eBay
Collegamento flytech ape - Elaborazioni e Tecnica APE - Et3.it il forum
Contagiri RPM da bobina TCI - Hardware - Arduino Forum
Impianto elettrico centrale - APRILIA RX-SX 50 SX 50 50
GOOFIT Cablaggio kit accensione kit Sostituzione Per 110cc 125cc ATV Quad Go Kart Buggy : Amazon.it: Auto e Moto
Specialmotors - XR650R-SM - Centralina CDI
Kit Accensione Elettronica (105.64 Montreal V8)
Classe A W169, masse poco efficaci e spia motore accesa - Notiziario Motoristico
Fantic 243 - Fantic - Trials Central
Www.MyKTM.it » KTM Forum Italia • Leggi argomento - Collegamento frecce originali exc400 2011
Climb The PEAK Moto Completa Impianto Elettrico Cablaggio CDI Statore for ATV Quad 150/200/250CC Dirt Bike Scooter Coolster Motore Bobina di Accensione per Moto (Color : 1 Set) : Amazon.it: Auto e Moto
Centralina accensione CDI High Power con anticipo variabile • Il Forum di ElectroYou
Sistema di accensione elettronica
Lambretta J50 Schema Elettrico | PDF
CDI bobina di Accensione Raddrizzatore Interruttore Completo Impianto Elettrico cablaggio 110cc 125cc ATV Quad Bike Buggy gokart - AliExpress
Accensione elettronica per cinquino - BaroneRosso.it - Forum Modellismo
Centralina accensione motore - Software - Arduino Forum
Bobina di accensione con schema Z55 MVT Premium PREM01 PREM09 PREM11
Specialmotors - XR650R-SM - Centralina CDI
Schema elettrico Bajaj Chetak - Bajaj ed LML - VESPARESOURCES.COM
Media « Myrons Mopeds
KartEvolution.com - Impianto Elettrico RAD
YIDESKY Impianto elettrico completo Bobina statore Cablaggio CDI Cablaggio candela Quad Set cablaggio, ATV QUAD 50/70/90/110CC Quad Bike Buggy Go Kart : Amazon.it: Auto e Moto
Motobecane CDI ignition le partie - ground confusion — Moped Army